乐玩lewin国际

上海乐玩lewin国际电力

继电器制造商
lewin乐玩·(中国区)有限公司官网

咨询服务热线139-6888-3630
继电器选型
乐玩lewin国际> 技术文章>信号继电器>JX型信号继电器

联系乐玩lewin国际

  • JX-22信号继电器
  • 文章类别:JX型信号继电器
  • 文章概述
  • 产品型号:JX-22
    启动类型:电流型
    额定电流:0.01A~2A通用
    安装方式:导轨安装

  • 产品分类

    询价留言

    概述
    JX-22信号继电器应用于直流操作保护线路中,作为信号指示器用。继电器由电流或电压动作,灯光信号,磁保持,手复归或电复归。可靠性好,可替代原有的DX-11、DX-11A系列、DX-8、DX-8G系列,DXM-2A系列,DX-30系列等电磁型信号继电器。JX-22采用导轨安装结构,具有接线方便、多个拼接、整定精度高、动作准确等特点。
    JX-22型号及其含义
    JX-22型号及其含义
    JX-22工作原理

    JX-22工作原理图

    JX-22信号继电器由光电耦合和电阻等器件组成采样检测回路。当被测信号到达一定值时,光耦开通,开通信号经一个运算放大器放大,推动后级出口回路,使出口继电器动作。并由自保持回路进行自保持,在启动回路信号消失后继电器依然处于动作状态,只有在按下复归按钮或在复归端施加复归电压后,继电器方可返回。
    JX-22主要特点
    ■动作速度快,克服了原电磁式继电器不能指示真空开关快速动作信号的缺陷。
    ■既具有就地复归方式,又具有远方复归方式,可实现远程控制。
    ■JX-22的复归方式有通电与断电两种,以便用户灵活选择。
    ■既有电保持,又有磁保持,信号记忆可靠,带有多组动合触点,既可接入LED光字牌或白炽灯光字牌,也能满足远传要求。
    ■电流启动型启动电流通用范围宽(0.01~2A),极大地便于用户选型和压缩库存。
    ■可导轨安装也可面板开孔安装。
    JX-22启动类型及额定值
    型号 启动类型 启动值 可替代型号
    JX-11 电压型 DC48V、DC110V、DC220V DX11、DX11A
    JX-12 电流型 0.01A~2A DX11、DX11A
    JX-21 电压型 DC48V、DC110V、DC220V DX8
    JX-22 电流型 0.01A~2A DX8
    JX-31 电压型 DC48V、DC110V、DC220V DX31A、DX31B
    JX-32 电流型 0.01A~2A DX31A、DX31B
    JX-21A 电压型 DC48V、DC110V、DC220V DX8
    JX-21B 电压型 DC48V、DC110V、DC220V DX8
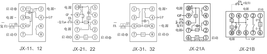
    接线图
    JX-22内部接线图
    JX-22技术参数
    额定参数
    电压型启动值 DC48V、110V、220V可选
    电流型启动值 0.01A~2A
    功耗 ≤5W
    绝缘性能
    绝缘电阻 继电器外壳与外露带电端子之间用开路电压500V的兆欧表测量,绝缘电阻不小于10MΩ
    绝缘耐压 继电器外壳与外露带电端子之间能耐受2KV(有效值)50Hz试验电压,历时1分钟,无击穿或闪络现象
    环境条件
    环境温度 -15℃~55℃
    工作电压 不大于120%额定电压
    工作位置 任意
    周围磁场强度 小于0.5mT
    环境相对湿度 不大于90%
    大气压力 80~110KPa
    温度 -25℃~+70℃
    海拔高度 不大于2500 米
    主要特点

    JX-22信号继电器阻燃壳体导轨型

    JX-22信号继电器阻燃壳体嵌入式面板型

    JX-22静态集成电路

    导轨安装结构
    JX-22导轨安装结构
    嵌入式面板安装结构
    JX-22导轨安装结构

    *主题:

    称呼:

    邮箱:

    公司:

    *电话:

    传真:

    备注:

    *验证码: