


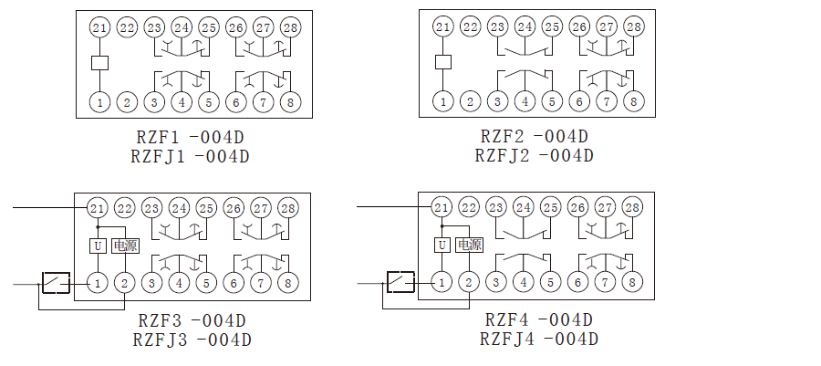
触点形式
4转换
延时范围
0.02~5S(极差0.01S);0~999S(极差1S)
触点容量
长期允许接通电流为5A(常规)
AC电压范围
110V、220V
DC电压范围
110V、220V
安装方式
导轨安装

AC电压范围
100V、110V、220V
DC电压范围
100V、110V、220V
触点形式
4转换
延时范围
0.02~5S(极差0.01S);0~999S(极差1S)
直流动作电压
不大于额定电压70%
交流动作电压
不大于额定电压80%
触点容量
长期允许接通电流为5A(常规)
安装方式
导轨安装


工作电压
AC:220V、380V
适用范围
1=工频晃电在启动,2=工频、变频晃电在启动
动作时间
0~9.99S,极差:0.01S
功率消耗
额定电压下小于5W/5VA
触点容量
长期允许接通电流为5A(常规)
安装方式
35mm导轨条安装
触点形式
2副转换延时触点
整定范围
0.1~9.99A(极差0.01A);1~99.9A(极差0.1A)
延时范围
0.02~9.99S(极差0.01S);0.1~99.9S(极差0.1S)
辅助电源
AC/DC:85~265V
返回系数
0.85~0.95
触点容量
长期允许接通电流为5A(常规)
额定电压
DC110V、DC220V
动作时间
额定电压25ms
启动功率
≥5W
额定功率
≤3W
触点形式
2常开、4常开
触点容量
8A