乐玩lewin国际

上海乐玩lewin国际电力

继电器制造商
lewin乐玩·(中国区)有限公司官网

咨询服务热线139-6888-3630
继电器选型
乐玩lewin国际> 技术文章>中间继电器>DZB-10B、DZB-10BG型中间继电器

联系乐玩lewin国际

  • DZB-14B带保持中间继电器
  • 文章类别:DZB-10B、DZB-10BG型中间继电器
  • 文章概述
  • 产品分类

    询价留言

    DZB-14B概述
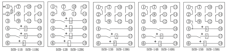
    DZB-10B(DZB-10BG)系列中间继电器用于直流操作的各种保护和自动控制线路中,作为辅助继电器以增加触点数量和触点容量。DZB-10BG是DZB-10B的改进型。该继电器克服了原来DZB-10B继电器采用的绕组线径为0.06~0.07漆包线。在长期运输中,出现的断线缺点,提高了可靠性。其余内部接线、外形尺寸、接线端子、使用功能等不变。 DZB-11B、DZB-12B、DZB-13B为电压启动,电流保持的中间继电器,DZB-14B为电流启动、电压保持的中间继电器,DZB-15B 为电流或电压工作、电流保持或电压保持的中间继电器。
    DZB-14B技术参数
    ●额定电压:DC220V、110V、48V、24V。
    ●额定电流:0.25A、0.5A、1A、2A、4A、8A。
    ●动作值:动作电压为额定电压值的30~70%;动作电流不大于80%的额定电流。
    ●保持值:保持电压不大于70%额定电压;保持电流不大于80%额定电流。
    ●返回值:不小于额定值的5%。
    ●动作时间:在额定电压下,动作时间不大于45ms。
    ●返回时间:不大于60ms。
    ●功率消耗:不大于7W。
    ● 触点容量:在电压不超过250V,电流不超过5A,时间常数为5±0.75ms的直流有感负荷电路中,输出触点的断 开容量为50W。
    ●可靠动作:5×104次。
    ●输出触点长期允许接通电流为5A。
    ● 功率消耗:在额定电压下直流继电器不大于2.5W;交流继电器不大于5VA。
     
    DZB-14B内部接线图

    DZB-14B接线图

    DZB-14B板后接线
    DZB-14B板后接线安装尺寸图
    DZB-14B板前接线
    DZB-14B板前接线安装尺寸图

    *主题:

    称呼:

    邮箱:

    公司:

    *电话:

    传真:

    备注:

    *验证码: