乐玩lewin国际

上海乐玩lewin国际电力

继电器制造商
lewin乐玩·(中国区)有限公司官网

咨询服务热线139-6888-3630
继电器选型
乐玩lewin国际> 技术文章>电压继电器>JY8型无源电压继电器

联系乐玩lewin国际

  • JY8-32D低电压继电器
  • 文章类别:JY8型无源电压继电器
  • 文章概述
  • 产品型号:JY8-32D
    额定电压:AC48V、110V、220V
    触点形式:1常开1常闭
    整定范围:180V~440V

  • 产品分类

    询价留言

    概述
    JY8-32D电压继电器用于发电机、变压器和输电线的继电保护装置中,作为过电压保护或低电压闭锁的启动元件。JY8-32D采用集成电路和拨码整定,具有精度高、功耗小、动作时间短、返回系数高、整定直观方便、范围宽、作为低电压使用时无抖动等特点。
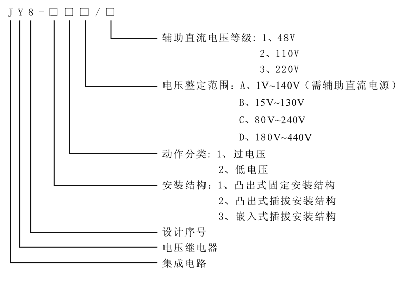
    JY8-32D型号及其含义
    JY8-32D型号及其含义
    工作原理

    JY8-32D工作原理

    JY8-32D电压继电器采用进口集成电路构成,被测量的交流电压U~经隔离变压器降压后得到与被测电压成正比的电压Ui,经整定后进行整流,整流后脉冲电压经滤波器滤波,得到与Ui成正比的直流电压Uo,在电平检测中Uo与直流参考电压 Ue 进行比较,若直流电压Uo低于参考电压,电平检测器输出正信号,驱动出口继电器,则本继电器处于动作状态。反之,不论是过电压继电器或是低电压继电器,若直流电压Uo高于参考电压 Ue,电平检测器输出负信号,则JY8-32D电压继电器处于不动作状态。

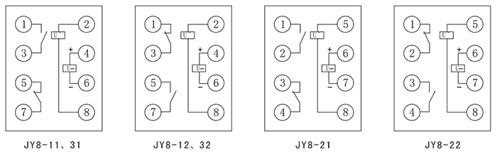
    JY8-32D触点形式及保护类型
    型号 动作类型 返回系数 额定电压 整定电压
    JY8-11A 过电压继电器 >0.9 AC:48V、110V、220V 1V~140V
    JY8-11B 过电压继电器 >0.9 AC:48V、110V、220V 15V~130V
    JY8-11C 过电压继电器 >0.9 AC:48V、110V、220V 80V~240V
    JY8-11D 过电压继电器 >0.9 AC:48V、110V、220V 180V~440V
    JY8-12A 低电压继电器 <1.1 AC:48V、110V、220V 1V~140V
    JY8-12B 低电压继电器 <1.1 AC:48V、110V、220V 15V~130V
    JY8-12C 低电压继电器 <1.1 AC:48V、110V、220V 80V~240V
    JY8-12D 低电压继电器 <1.1 AC:48V、110V、220V 180V~440V
    JY8-21A 过电压继电器 >0.9 AC:48V、110V、220V 1V~140V
    JY8-21B 过电压继电器 >0.9 AC:48V、110V、220V 15V~130V
    JY8-21C 过电压继电器 >0.9 AC:48V、110V、220V 80V~240V
    JY8-21D 过电压继电器 >0.9 AC:48V、110V、220V 180V~440V
    JY8-22A 低电压继电器 <1.1 AC:48V、110V、220V 1V~140V
    JY8-22B 低电压继电器 <1.1 AC:48V、110V、220V 15V~130V
    JY8-22C 低电压继电器 <1.1 AC:48V、110V、220V 80V~240V
    JY8-22D 低电压继电器 <1.1 AC:48V、110V、220V 180V~440V
    JY8-31A 过电压继电器 >0.9 AC:48V、110V、220V 1V~140V
    JY8-31B 过电压继电器 >0.9 AC:48V、110V、220V 15V~130V
    JY8-31C 过电压继电器 >0.9 AC:48V、110V、220V 80V~240V
    JY8-31D 过电压继电器 >0.9 AC:48V、110V、220V 180V~440V
    JY8-32A 低电压继电器 <1.1 AC:48V、110V、220V 1V~140V
    JY8-32B 低电压继电器 <1.1 AC:48V、110V、220V 15V~130V
    JY8-32C 低电压继电器 <1.1 AC:48V、110V、220V 80V~240V
    JY8-32D 低电压继电器 <1.1 AC:48V、110V、220V 180V~440V
    接线图
    JY8-32D内部接线图
    JY8-32D技术参数
    额定参数
    额定电压 AC48V、110V、220V
    过电压返回系数 >0.9
    低电压返回系数 <1.1
    过电压返回时间 <25ms
    低电压返回时间 <25ms
    整定范围 1V~140V、15V~130V、80V~240V、180V~440V
    整定误差 <5%
    功耗 <5W
    绝缘性能
    绝缘电阻 继电器外壳与外露带电端子之间用开路电压500V的兆欧表测量,绝缘电阻不小于10MΩ
    绝缘耐压 继电器外壳与外露带电端子之间能耐受2KV(有效值)50Hz试验电压,历时1分钟,无击穿或闪络现象
    环境条件
    环境温度 -15℃~55℃
    工作电压 不大于120%额定电压
    工作位置 任意
    周围磁场强度 小于0.5mT
    环境相对湿度 不大于90%
    大气压力 80~110KPa
    温度 -25℃~+70℃
    海拔高度 不大于2500 米
    主要特点

    JY8-32D阻燃壳体

    JY8-32D静态集成电路

    JY8-32D端子排接线

    JY8-32D导轨条安装

    导轨安装结构
    JY8-32D导轨安装结构外形尺寸
    JY8-32D凸出式固定结构
    JY8-32D凸出式固定安装结构
    JY8-32D凸出式插拔结构
    JY8-32D凸出式插拔安装结构
    JY8-32D嵌入式插拔结构
    JY8-32D嵌入式插拔安装结构

    *主题:

    称呼:

    邮箱:

    公司:

    *电话:

    传真:

    备注:

    *验证码: