乐玩lewin国际

上海乐玩lewin国际电力

继电器制造商
lewin乐玩·(中国区)有限公司官网

咨询服务热线139-6888-3630
继电器选型
乐玩lewin国际> 技术文章>电流继电器>HJL-93型三相电流继电器

联系乐玩lewin国际

  • HJL-F93/BY三相电流继电器
  • 文章类别:HJL-93型三相电流继电器
  • 文章概述
  • 产品型号:HJL-F93/BY
    触点形式:3转换
    整定范围:0.05A~1.2A
    安装结构:导轨式安装

  • 产品分类

    询价留言

    概述
    HJL-F93/BY电流继电器要用于发电机、变压器和输电线路的过负荷和短路保护。HJL-F93/BY采用CMOS集成电路具有精度高、功耗小、动作时间快、返回系数高、整定直观方便、范围宽等特点。整定范围由0.2A~6A和0.05A~1.2A这两种可选,返回系数为0.9~0.95。
    型号及含义
    HJL-F93/BY型号及其含义
    HJL-F93/BY主要特点
    ●采用3位拨码整定
    ●整定范围0.2A~6A(级差0.01A)。
    ●延时时间为0~99.9S。
    ●HJL-F93/BY辅助电源85V~260V交直流通用。
    ●用集成电路和进口元器件,稳定性和可靠性更高。
    ●采用导轨安装,对比老式的凸出式结构和插拔结构其安装更方便。
    HJL-F93/BY整定范围及返回系数
    型号 额定电流 长期允许接通电流 瞬时允许过载电流 整定范围 级差 返回系数
    HJL-93/A 5A 6A 20A 0.2~6A 0.01A 0.9~0.95
    HJL-93/AY 5A 6A 20A 0.2~6A 0.01A 0.9~0.95
    HJL-93/B 5A 6A 20A 0.05~1.2A 0.01A 0.9~0.95
    HJL-93/BY 5A 6A 20A 0.05~1.2A 0.01A 0.9~0.95
    HJL-F93/A 5A 6A 20A 0.2~6A 0.01A 0.9~0.95
    HJL-F93/AY 5A 6A 20A 0.2~6A 0.01A 0.9~0.95
    HJL-F93/B 5A 6A 20A 0.05~1.2A 0.01A 0.9~0.95
    HJL-F93/BY 5A 6A 20A 0.05~1.2A 0.01A 0.9~0.95
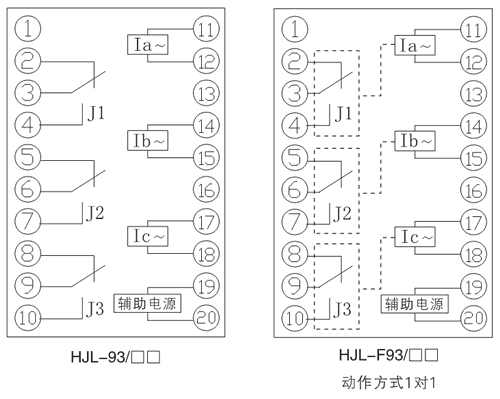
    接线图
    HJL-F93/BY内部接线图
    HJL-F93/BY技术参数
    额定参数
    直流额定电压 48V、110V、220V可选
    交流额定电压 48V、110V、220V可选
    直流动作电压 ≤70%额定电压
    交流动作电压 ≤75%额定电压
    额定电流 A型:5A、B型:1A
    返回系数 0.9~0.95
    整定范围 A型:0.2A~6A、B型:0.05A~1.2A
    返回时间 ≤27ms
    功耗 ≤5W
    绝缘性能
    绝缘电阻 继电器外壳与外露带电端子之间用开路电压500V的兆欧表测量,绝缘电阻不小于10MΩ
    绝缘耐压 继电器外壳与外露带电端子之间能耐受2KV(有效值)50Hz试验电压,历时1分钟,无击穿或闪络现象
    环境条件
    环境温度 -15℃~55℃
    工作电压 不大于120%额定电压
    工作位置 任意
    周围磁场强度 小于0.5mT
    环境相对湿度 不大于90%
    大气压力 80~110KPa
    温度 -25℃~+70℃
    海拔高度 不大于2500 米
    主要特点

    HJL-F93/BY阻燃壳体

    HJL-F93/BY静态集成电路

    HJL-F93/BY端子排接线

    HJL-F93/BY导轨条安装

    导轨安装结构
    HJL-F93/BY导轨安装结构外形尺寸

    *主题:

    称呼:

    邮箱:

    公司:

    *电话:

    传真:

    备注:

    *验证码: