乐玩lewin国际

上海乐玩lewin国际电力

继电器制造商
lewin乐玩·(中国区)有限公司官网

咨询服务热线139-6888-3630
继电器选型
乐玩lewin国际> 技术文章>中间继电器>DZS-10CE型延时中间继电器

联系乐玩lewin国际

  • DZS-13CE/600延时中间继电器
  • 文章类别:DZS-10CE型延时中间继电器
  • 文章概述
  •  
  • 产品分类

    询价留言

    DZS-13CE/600概述
    DZS-13CE/600继电器属于延时中间继电器,主要用于各种保护和自动控制回路中,以增加保护和控制线路的触点数量和触点容量。
    工作原理
    DZS-13CE/600延时中间继电器系电磁式原理,装入插入式壳体里。继电器分为动作延时和返回延时两种。在继电器的线圈上面或下面装有阻尼环,当线圈通电或断电时,阻尼环中感应电流所产生的磁通阻碍主磁通的增加或减少,由此获得继电器的动作延时或返回延时。
    技术参数
    ●DZS-13CE/600继电器的额定技术数据如下表所示:
    DZS-13CE/600额定技术数据
    ●额定电压:220V、110V、48V、24V、12V。
    ●额定电流:1A、2A、4A、6A。
    ●接点形式:2动合3转换、3动合2转换、6动合、5动合。
    ●动作值:为额定值的30~70%。
    ●返回值:延时动作的继电器的返回值不小于5%额定值。
    ●保持值:具有电流保持绕组的继电器,保持电流不大于80%额定保持值。
    ●动作时间:DZS-11CE、DZS-13CE不大于0.06ms。
    ●返回时间:DZS-12CE不大于0.03ms。
    ●功率消耗:不大于5W。
    ●热性能:当周围环境温度为40℃时,继电器电压工作(或电流保持)绕组应能长期承受110% 额定工作电压(或额定保持电流)值,其允许温升应不超过65℃。
    ●触点长期允许接通电流:5A。
    ●触点断开容量:在直流有感回路(τ=5ms),U≤250V,I≤1A为50W;在交流(cosφ= 0.4)回路,U≤250V,I≤1A为250VA。
    ●电寿命:5×103次。
    ●机械寿命:2.5×104次。
    DZS-13CE/600端子接线图
    DZS-13CE/600内部接线图
    DZS-13CE/600调试方法
    1、继电器中金属零件不应有锈蚀,绝缘零件不应有裂纹,损伤,所有锡焊处均应牢固可靠无虚焊,各部分的机械连接与电气连接均应牢固可靠,不易松动。
    2、可动部分不应当有明显的摩擦。
    3、各对触点应基本同时接触,触点偏心不超过0.5mm,动静触点打开后间隙不小于2mm。
    4、调整继电器的动作值、返回值、保持值、动作时间和返回时间,使之满足3条2~5款 规定的要求。如不满足要求应检查接触系统的调整是否合乎要求,各绕组的参数和极性是否正确,铁芯和动板是否合乎要求等,必要时要更换零件。
    DZS-13CE/600凸出式板前接线
    DZS-13CE/600板前接线安装尺寸图
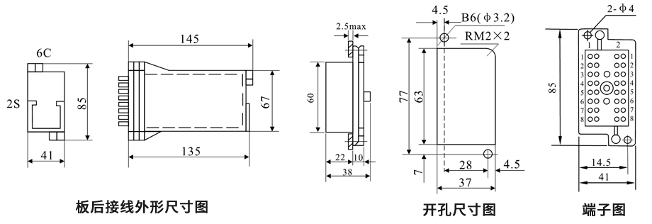
    DZS-13CE/600凸出式板后接线
    DZS-13CE/600板后接线安装尺寸图

    *主题:

    称呼:

    邮箱:

    公司:

    *电话:

    传真:

    备注:

    *验证码: