乐玩lewin国际
继电器制造商
lewin乐玩·(中国区)有限公司官网
咨询服务热线
139-6888-3630
产品中心
中间继电器
RZYF-D抗干扰大功率中间继电器
|
RZY-D静态中间继电器
|
RZE-D通电延时中间继电器
|
RZF-D系列断电延时中间继电器
|
RZB-D保持中间继电器
|
RZXL-D小电流中间继电器
|
时间继电器
RS-D系列时间继电器
|
RS系列时间继电器
|
ZSJ-3系列时间继电器
|
电压继电器
RWY-D系列电压继电器
|
RWYII-D系列无辅源静态电压继电器
|
RYII-D系列静态电压继电器
|
RY-3XD系列三相电压继电器
|
RY-DS系列定时限电压继电器
|
RWY无辅源静态电压继电器
|
RY静态电压继电器
|
电流继电器
RLII-D系列静态电流继电器
|
RWLII-D系列无辅源电流继电器
|
RL-DS系列定时限电流继电器
|
RL系列静态电流继电器
|
RWL系列无辅源电流继电器
|
过流继电器
RWG-D系列无辅源两相过流继电器
|
RGL系列过流继电器
|
漏电继电器
RELR-D系列可调漏电继电器
|
RT-L系列可调漏电继电器
|
信号继电器
RX-D系列信号继电器
|
RX2-D系列信号继电器
|
闭锁继电器
LB-7闭锁继电器
|
RAI系列封存闭锁继电器
|
其它继电器
闪光继电器
|
冲击继电器
|
抗晃电继电器
|
双位置继电器
|
分闸、合闸、电源监视继电器
|
同步检查继电器
|
跳闸回路监视继电器
|
组合式报警继电器
|
网站乐玩lewin国际
项目业绩
资讯动态
技术文章
联系方式
乐玩lewin国际
产品中心
中间继电器
时间继电器
电压继电器
电流继电器
过流继电器
漏电继电器
信号继电器
闭锁继电器
闪光继电器
冲击继电器
抗晃电继电器
双位置继电器
更多继电器>>
项目业绩
资讯动态
联系方式
乐玩lewin国际
>
技术文章
>
电流继电器
>
DL-10型电流继电器
产品目录
中间继电器
时间继电器
电压继电器
电流继电器
过流继电器
漏电继电器
信号继电器
闭锁继电器
闪光继电器
冲击继电器
抗晃电继电器
双位置继电器
三合一继电器
同步检查继电器
跳闸回路监视继电器
组合式报警继电器
联系乐玩lewin国际
139-6888-3630
021-67183050
021-37190051
3355853136@qq.com
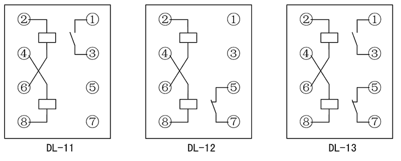
DL-11电流继电器
文章类别:
DL-10型电流继电器
文章概述
型号:DL-11电磁式电流继电器
触点形式:1常开
壳体形式:凸出式固定安装
产品分类
询价留言
产品详情
产品分类
询价留言
乐玩lewin国际相关的文章
概述
DL-11电流继电器,为电磁式瞬动过电流继电器,它广泛用于电力系统二次回路继电保护装置线路中,作为过电流启动元件。
主要技术参数
接线图
主要特点
凸出式安装结构
中间继电器
时间继电器
电压继电器
电流继电器
过流继电器
漏电继电器
信号继电器
闭锁继电器
闪光继电器
冲击继电器
抗晃电继电器
双位置继电器
三合一继电器
同步检查继电器
跳闸回路监视继电器
组合式报警继电器
*主题:
称呼:
邮箱:
公司:
*电话:
传真:
备注:
*验证码:
SRS-24VAC-3Z-10A静态中间继电器
JZ-S/2216中间继电器
ZJS-201/AC交流中间继电器
ZJ2-1延时中间继电器
HJXH-E2/U信号继电器
JDY-1210A过电压继电器
DZK-244中间继电器
JL-8D/21-4定时限过流继电器
HJWS-9440双位置中间继电器
JS-11D/35时间继电器
DZS-238带延时的电磁式中间继电器
JZS-7G-45可调延时返回中间继电器
DZY-213中间继电器
HBTS-101A/3时间继电器
SRY-220VDC-2Z-2ADC大功率延时中间继电器
SRS-24VDC-1Z-10A静态中间继电器
JDY-5010电压继电器
SS-94/1时间继电器
HBZL-304中间继电器
DJ-121电磁式电压继电器
3355853136
联系电话
139-6888-3630
询价留言
微信扫一扫
返回顶部