乐玩lewin国际

上海乐玩lewin国际电力

继电器制造商
lewin乐玩·(中国区)有限公司官网

咨询服务热线139-6888-3630
继电器选型
乐玩lewin国际> 技术文章>中间继电器>DZ-3/Z型中间继电器

联系乐玩lewin国际

  • DZ-3/Z5中间继电器
  • 文章类别:DZ-3/Z型中间继电器
  • 文章概述
  • 产品分类

    询价留言

    DZ-3/Z5用途
    DZ-3/Z5中间继电器(以下简称继电器)用在保护和自动控制装置中作为辅助元件,以扩大被控电路,提高接触能力。
    DZ-3/Z5结构及特点
    采用电磁式、螺管结构,触点对数多,容量大,直流操作,动作快。壳体结构采用JK-1(凸出式后接线)、JKF-1Q(凸出式前接线)和JK-6/1(嵌入式后接线)标准组件。
    DZ-3/Z5主要技术要求

    1、技术参数图如下所示:
    DZ-3/Z5中间继电器技术参数
    2、动合触点较大8个,动断触点较大8个
    3、继电器额定电压为24V\、48V、110V、220V可选
    4、继电器的动作时间不大于60ms。
    5、功率消耗:在额定电压下不大于4W。
    6、触点的较大流通能力在交流或直流220V下为15A。
    7、触点长期允许通过电流为5A。
    8、中间继电器电寿命为5×103次。
    9、继电器机械寿命为2.5×104次。

    DZ-3/Z5内部接线图

    DZ-3/Z5接线图

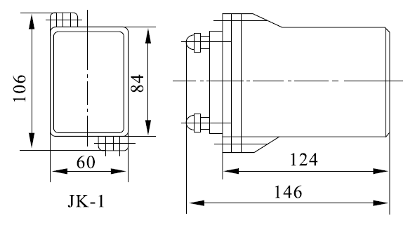
    DZ-3/Z5外形尺寸图
    DZ-3/Z5外形尺寸图
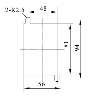
    DZ-3/Z5安装开孔尺寸图
    DZ-3/Z5安装开孔尺寸图
    DZ-3/Z5端子图
    DZ-3/Z5端子图

    *主题:

    称呼:

    邮箱:

    公司:

    *电话:

    传真:

    备注:

    *验证码: