乐玩lewin国际

上海乐玩lewin国际电力

继电器制造商
lewin乐玩·(中国区)有限公司官网

咨询服务热线139-6888-3630
继电器选型
乐玩lewin国际> 技术文章>中间继电器>DZK-900型中间继电器

联系乐玩lewin国际

  • DZK-936快速中间继电器
  • 文章类别:DZK-900型中间继电器
  • 文章概述
  • 产品型号:DZK-936快速中间继电器;
    额定电压:DC:12V、24V、48V、110V、220V; AC:110V、220V、380V;
    触点形式:常开,常闭,转换(触点组数可根据实际情况定做);
    触点容量:触点断开容量即交流:10A,250V AC;直流10A,28VDC,装置输出触点长期允许闭合电流为5A;
    壳体形式:本继电器采用嵌入式插拔结构,A11K、A11H、A11Q系列壳体。
     

  • 产品分类

    询价留言

    DZK-936概述
    DZK-936快速中间继电器用于电力系统二次回路继电保护和自动控制线路中,用作切换电路和增加保护和控制电路的触点数量和容量及用于出口跳闸电路。常见的规格型号有:DZK-911、DZK-912,DZK-914,DZK-916,DZK-917,DZK-918,DZK-924,DZK-934,DZK-936,DZK-937,DZK-938,DZK-942等。
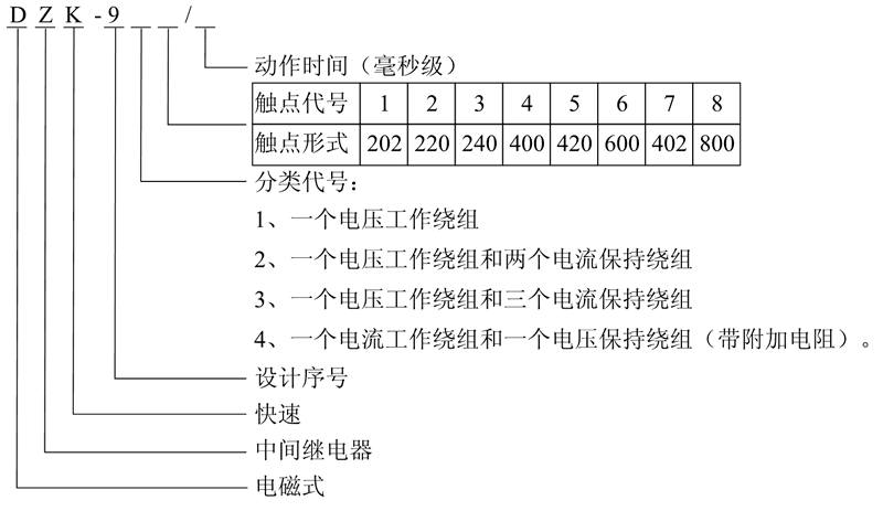
    DZK-936型号及含义
    DZK-936型号及含义
    DZK-936动作原理
    为拍合式电磁中间继电器,线圈装在"U"形导磁体上,导磁体上面是一个活动的衔铁,导磁体两侧有二排触点片。在无激励状态下,靠触点片的弹力,将衔铁向上托起,使衔铁与导磁体极面之间保持一定的间隙。在激励状态下,当气隙中的电磁力矩超过反作用力矩时,衔铁被吸向导磁体,靠衔铁上的压板压动触点片,使动断触点断开,动合触点闭合,完成继电器功能。当电磁力矩小到一定值时,由于触点片的反作用力矩,而使触点片和衔铁返回到初始位置,准备下次动作。DZK-936属于快速中间继电器,要求动作时间短,因此在线圈上串联一个附加电阻,以减小继电器的时间常数。此外由于触点片回跳将引起动作时间变长,本继电器的动触点片比较薄,而静点片较厚,当触点接触后,衔铁继续运动时,动触点片的刚度急剧增加,因此,反作用力矩也增加,从而有效的吸收了衔铁的冲击能量,缩短了触点的回跳时间。为了提高继电器触点工作的可能性,采用双断点触点结构。
    DZK-936技术参数
    ●额定工作电压:DC:220V、110V、48V、24V。
    ●额定工作电流:DC:0.25A、0.5A、1A、1.5A、2A、4A、8A。
    ●额定保持电流:DC:0.25A、0.5A、1A、2A、4A、8A。
    ●额定保持电压:DC:220V、110V、48V、24V。
    ●动作值:在周围环境温度为20 ±2℃的条件下,电压型的动作电压为50%-70%的额定电压;电流型的动作电流不大于80%额定电流。
    ●返回值:周围环境温度为20±2℃的条件下,返回值不小于5%额定值。
    ●具有电流保持绕组的保持值:保持电流不大于80%额定保持电流值。
    ●具有电压保持绕组的保持值:保持电压不大于70%额定保持电压值。
    ●热性能:当周围环境温度为+40℃时,电压绕组应能长期耐受110%额定电压,线圈温升不高于65℃。电流绕组能耐受3倍额定电流历时5s。
    ●功率消耗:DZK-936继电器电压线圈在额定电压(或额定保持电压)下,功率消耗不大于8W(包括外附电阻)。继电器电流线圈在额定电流(或额定保持电流)下,功率消耗不大于2.5W。
    ●返回时间:在周围互不干涉温度为20±2℃的条件下,返回时间不大于5ms。
    ●功率消耗:不大于10W(包括外附电阻)。
    ●触点容量:在电压不超过250V,电流不超过5A,时间常数为5±0.75ms的直流有感负荷电路中,产品输出触点的断开容量为50W。输出触点在上述规定的负荷条件下,产品能可靠动作及返回5×104次。输出触点长期允许接通电流为5A。
    ●介质强度:DZK-936的导电部分对非带电的金属部分及外壳,以及在电气上无联系的各导电部分之间能耐受交流试验电压2kV(有效值)、50Hz,历时1min的试验而无绝缘击穿或闪络现象。同一线圈的绕组之间耐受交流电压500V(有效值)、50Hz历时1min的试验。
    ●触点长期允许接通电流:5A。
    ●电寿命:103次。
    ●机械寿命:5×103次。
    DZK-936接线图
    DZK-936内部接线图
    DZK-936调试方法
    1、在衔铁的整个行程中,衔铁在轴上不允许有歪斜和发紧现象。
    2、动合触点间隙0.6mm~0.8mm,此时继电器应当满足额定电压(或额定电流)下的动作时间要求。
    3、动断触点在每个接触片的压力为0.1N时,动合触点闭合后的超行程为0.2mm~0.3mm。
    4、在室温下调整继电器的动作电压,返回电压,动作、返回时间和保持值。试验时激励量应突然施加,使之满足技术条件要求。
     
    DZK-936板前接线
    DZK-936板前接线安装尺寸图
    DZK-936板后接线
    DZK-936板后接线安装尺寸图
    DZK-936凸出式板后接线
    DZK-936凸出式板后接线安装尺寸图

    *主题:

    称呼:

    邮箱:

    公司:

    *电话:

    传真:

    备注:

    *验证码: