乐玩lewin国际

上海乐玩lewin国际电力

继电器制造商
lewin乐玩·(中国区)有限公司官网

咨询服务热线139-6888-3630
继电器选型
乐玩lewin国际> 技术文章>中间继电器>YZJ1型延时中间继电器

联系乐玩lewin国际

  • YZJ1-3E延时中间继电器
  • 文章类别:YZJ1型延时中间继电器
  • 文章概述
  • 产品型号:YZJ1-3E
    产品类型:延时中间继电器
    延时类型:动作延时
    触点形式:3常开1常闭
  • 产品分类

    询价留言

    YZJ1-3E概述
    YZJ1-3E继电器属于延时中间继电器,作为继电保护回路和控制回路增加控制对象的数量或扩大控制容量的一种带延时的辅助继电器。常见的型号有:YZJ1-1、YZJ1-2、YZJ1-3、YZJ1-3E、YZJ1-4、YZJ1-5等。额定电压为24V、48V、110V、220V可选。
    YZJ1-3E技术参数
    ●额定电压、额定电流、触点形式和返回时间见下表 YZJ1-3E触点形式表
    ●额定电压:220V、110V、48V、24V。
    ●交流动作电压:小于等于80%额定电压。
    ●动作返回值:大小于等于3%。
    ●功率消耗:不大于5W。
    ●热性能:当环境温度为 40℃ 时,继电器线圈长期耐受110%额定电压,其温升不超过65℃,当电压绕组无激励量时,电流绕组能承受3倍额定电流,历时5s,无电气和绝缘损坏。
    ●介质强度:继电器所有电路连在一起与外露的非带电金属部分及外壳之间,以及线圈电路与触点电路 (无保持绕组)之间能耐受2kV (有效值)、 50Hz 的交流试验电压历时 1min 而无绝缘击穿或闪络现象。
    ●触点断开容量:在直流有感(τ=5ms)回路,U≤250V,I≤1A,为20W;在交流(cosφ=0.4)回路,U≤250V,I≤1A,为80VA。
    ●触点长期允许接通电流:5A。
    ●电寿命:5×103次。
    ●机械寿命:2.5×104次。
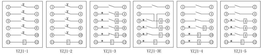
    YZJ1-3E端子接线图
    YZJ1-3E内部接线图

    *主题:

    称呼:

    邮箱:

    公司:

    *电话:

    传真:

    备注:

    *验证码: