什么是防逆流设备 在电力系统中,一般都是由配电变压器向电网内各负载送电,称为正向电流。安装光伏电站后,当光伏系统功率大于本地负载的功率时,消纳不完的电力要送入电网,由于电流方向和常规的相反,即称为“逆流”。正常光伏发电系统是将光伏组件直流电转变成交流电并入电网,带防逆流的光伏系统是光伏发的电仅供给就地负载使用,防止光伏系统发出的电送入电网。

防逆流保护配置要求 防逆流保护装置又称为逆功率保护装置,主要针对低压配电网侧的光伏并网发电系统,一般认为光伏发电功率不大于并网侧上级配电变压器容量的20%是合适的。目前,电网公司通常要求光伏并网系统为不可逆流发电系统,即光伏并网系统所发的电由本地负荷消耗,多余的电不允许通过低压配电变压器向上级电网逆向送电。在并网发电系统中,由于外部环境是不断变化的,为了防止光伏并网系统逆向发电,系统需要配置1套防逆流保护装置。通过实时监测配电变压器低压出口侧的电压、电流信号来调节光伏发电系统的发电功率,从而达到光伏并网系统的防逆流功能,其原理图如下所示。

防逆流装置工作原理 检测交流电网(AC400V,50Hz)供电回路三相电压、电流(测量点),判断功率流向和功率大小。如果电网供电回路出现逆功率现象,当逆功率值大于逆功率定值(可设定,单位W二次功率值)时,按照各个出口延时时限的不同,当延时超过相应出口的延时后,驱动该出口动作,跳闸顺序为先跳出口1,再跳出口2,依次类推, 逐级断开清洁电源并网系统中8个模组,直到逆功率现象消失。保护原理如下图所示。

防逆流保护装置的特点 ●发生频率过高时装置采用跳闸保护。
●装置实现了分布式电源并网点处所需设备的集成化、简约化,实现分布式电源接入配电网的即插即用。
●所有保护动作后,自动有压合闸仍可动作一次,若动作一次后20S 内保护再次动作,则永远闭锁自动有压合闸,直到手合、遥合命令发出后再次开放自动有压合闸。
●具有自动有压合闸。
●发生有压自动合闸时装置采用跳闸保护。
●装置可集中组屏也可地分散安装在高压开关柜上,各间隔功能独立,各装置之间仅通过网络联结,信息共享,这样整个系统不仅灵活性很强,而且其可靠性也得到了很大提高,任一装置故障仅影响一个局部元件。
●防逆流设备集成分布式电源并网所需的开关设备、保护、测控、通信等功能,满足分布式电源接入的孤岛检测、自动安全并网、保护及安全隔离等要求。
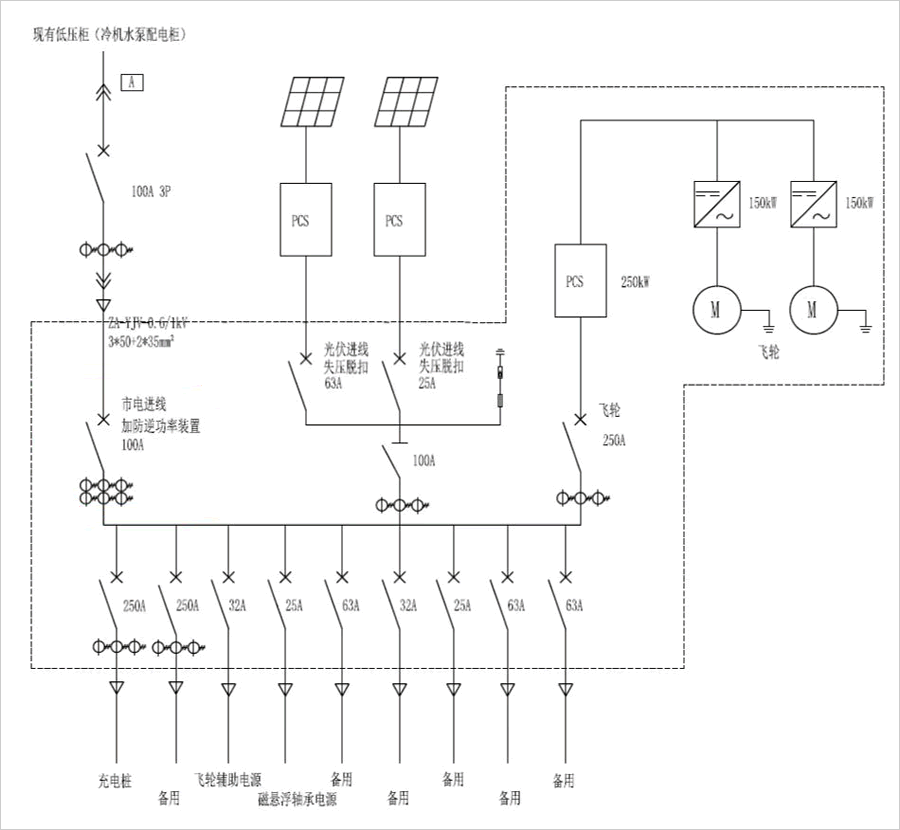
光伏防逆流设备典型图纸 
上一篇:
光伏设备预制舱
下一篇:
故障解列装置