乐玩lewin国际

上海乐玩lewin国际电力

继电器制造商
lewin乐玩·(中国区)有限公司官网

咨询服务热线139-6888-3630
继电器选型
乐玩lewin国际> 技术文章>双位置继电器 >JSW型双位置继电器

联系乐玩lewin国际

  • JSW-21双位置继电器
  • 文章类别:JSW型双位置继电器
  • 文章概述
  • 产品型号:JSW-21双位置继电器
    触点形式:4常开2转换
    额定电压:48V、110V、220V(DC)
    安装方式:导轨安装

  • 产品分类

    询价留言

    概述
    JSW-21双位置继电器又称双稳态继电器,用于直流操作的保持和控制回路中作为反应手动操作开关位置指示器,并实现闭锁。以实现闭锁作用。是电力系统和自动化控制中老型电磁式双位置中间继电器更新首选产品。采用导轨式安装结构,体积小,安装方便。采用多个进口小型密封继电器组成,具有功耗低、发热小、动作时间快、触点容量大等特点。
    JSW-21型号及含义
    JSW-21型号选型说明
    JSW-21触点形式
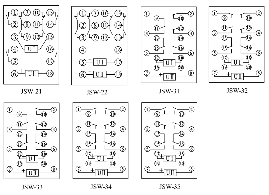
    型号 触点形式 额定电压
    JSW-21 4常开2转换 DC:48V、110V、220V
    JSW-22 4转换 DC:48V、110V、220V
    JSW-31 2常开3转换 DC:48V、110V、220V
    JSW-32 1常开3常闭2转换 DC:48V、110V、220V
    JSW-33 2常开3转换 DC:48V、110V、220V
    JSW-34 2常开2常闭2转换 DC:48V、110V、220V
    JSW-35 3常开1常闭2转换 DC:48V、110V、220V
    JSW-21内部接线图
    JSW-21内部接线图
    企业实拍
    企业内部环境
    主要特点

    JSW-21端子排接线

    JSW-21阻燃壳体

    JSW-21导轨条安装

    JSW-21静态集成电路

    导轨安装结构
    JSW-21导轨安装结构外形尺寸

    *主题:

    称呼:

    邮箱:

    公司:

    *电话:

    传真:

    备注:

    *验证码: